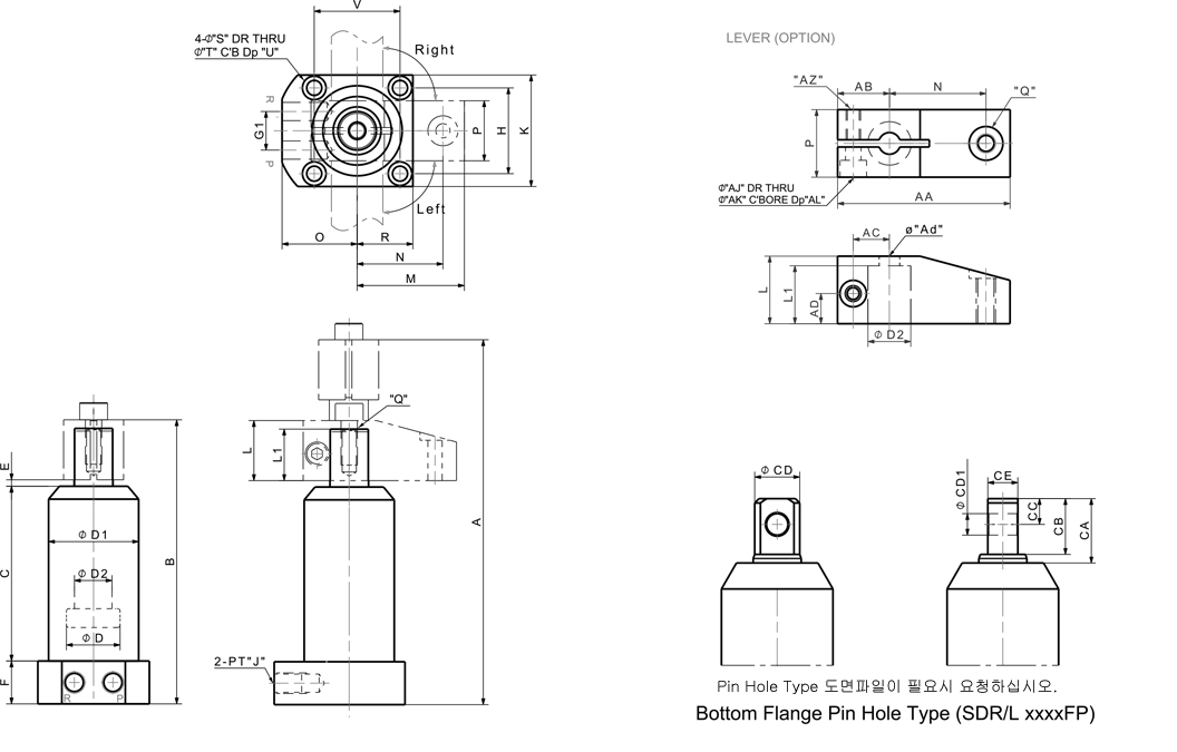
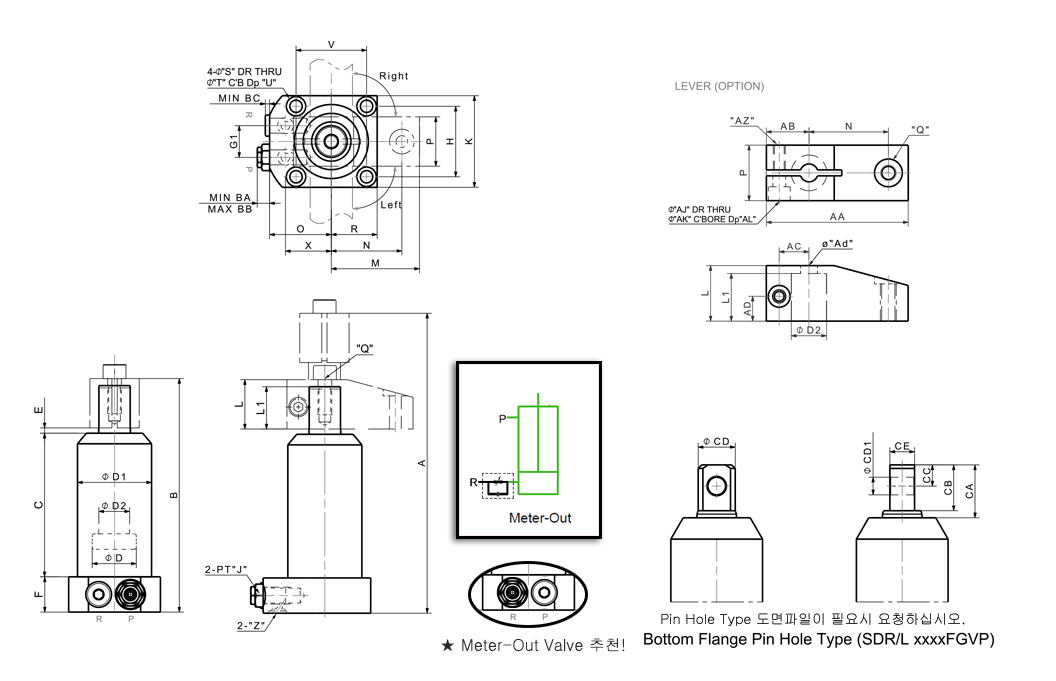
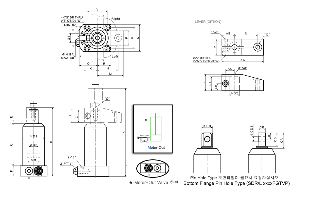
YOU CAN COUNT ON OUR EXPERTISE






| Model No. | Type | Max. Cylinder Force(kgf) |
Piston Diameter(ø) |
Effective Area(㎠) |
Stroke(mm) | Oil Capacity(㎤) at Clamping |
Swing Angle Telerance (Repeated Accuracy) |
Operating Pressure Range (kgf/㎠) |
Operating Temperature Range(℃) |
Weight (kg) |
||
|---|---|---|---|---|---|---|---|---|---|---|---|---|
| Swing | Straight | Total | ||||||||||
| SDR/L-2522 | F | 354 | 25 | 2.36 | 12 | 10 | 22 | 5.20 | ±3° (±0.5°) |
20~150 | 0~60 | 1.6 |
| FG | ||||||||||||
| FGT | ||||||||||||
| SDR/L-3030 | F | 470 | 30 | 3.13 | 16 | 14 | 30 | 9.38 | 2.7 | |||
| FG | ||||||||||||
| FGT | ||||||||||||
| SDR/L-4045 | F | 962 | 40 | 6.41 | 16 | 29 | 45 | 28.83 | 4.8 | |||
| FG | ||||||||||||
| FGT | ||||||||||||
| SDR/L-5555 | F | 2120 | 55 | 14.13 | 25 | 30 | 55 | 77.72 | 10.3 | |||
| FG | ||||||||||||
| FGT | ||||||||||||







