KJF

ENG

Gasket Type Hinge Clamp

YOU CAN COUNT ON OUR EXPERTISE

Manifold Method
Features
  • 매니폴더 배관이 용이
  • 칩 배출 용이
  • 유량조절밸브 장착형
  • 유량조절밸브 위치 선택 가능
  • 내경범위 : ø25~80
  • 작동범위 : 15~150kgf/㎠
  • 사용온도 : 0~60℃
  • 도면상 레버는 옵션
Model No.
  • 1
    Clamp Sort
    HGC = HINGE CLAMP
  • 2
    Piston Diameter
    ex ) 25 = Ø25
  • 3
    Clamping Force
    ex ) 02 = 200kgf at 70kgf/cm2
  • 4
    Type
    G = Gasket
    GV = Gasket + Flow control valve
    * V: Meter-In Method/W: Meter-Out Method
    GVT= Gasket + Flow control valve Top, Meter-out method
  • 5
    Lever Direction
    RH = Right Side
    LH = Left Side
    No sign = Front
HINGE CLAMP GASKET TYPE
  • HGC-2502GV
  • HGC-3203GV
  • HGC-4005GV
  • HGC-5009GV
  • HGC-6315GV
  • HGC-8023GV
Specifications
Model No. Type Clamping Force(kgf) Piston
Diameter(ø)
Effective
Area(㎠)
Stroke(mm) Oil Capacity(㎤) Operating
Pressure Range
(kgf/㎠)
Operating
Temperature
Range(℃)
Weight
(kg)
@70kgf/㎠ @150kgf/㎠ Total Extra Clamp(Push) Unclamp(Pull)
HGC-2502 G 228 490 25 4.9 28 2 13.7 8.1 15~150 0~60 1.73
GV 1.73
GVT 1.72
HGC-3203 G 325 698 32 8.04 28 2 22.5 15.4 2.26
GV 2.27
GVT 2.27
HGC-4005 G 544 1,166 40 12.56 33 2 41.4 25.2 3.37
GV 3.38
GVT 3.39
HGC-5009 G 935 2,004 50 19.63 42 4 82.5 52.8 5.67
GV 5.68
GVT 5.68
HGC-6315 G 1,563 3,351 63 31.16 50 4 155.8 106.3 9.06
GV 9.07
GVT 9.07
HGC-8023 G 2,344 5,023 80 50.24 60 4 301.4 206 15.28
GV 15.29
GVT 15.28
Clamping Force Calculation Formula
Hydraulic Clamp
  • 클램핑력은 치수 K와 사용압력에 따라 변합니다.
    아래의 계산식을 통해 클램핑력을 구해 주십시오.
    • - F = Clamping Force(kgf)
    • - P = Hydraulic Pressure(kgf/㎠)
    • - K = Refer to Drawing (mm)
  • Note.
    치수 K가 과도하게 짧을 경우, 최대 압력을 사용하면 클램프에 손상이 가거나 작동유가 새어 나올 수 있습니다.
  • STANDARD / GASKET / TUBE
    HGC-2502 : F = 107.8 x P / K
    HGC-3203 : F = 176.9 x P / K
    HGC-4005 : F = 326.6 x P / K
    HGC-5009 : F = 628.2 x P / K
    HGC-6315 : F = 1184.1 x P / K
    HGC-8023 : F = 2311.0 x P / K
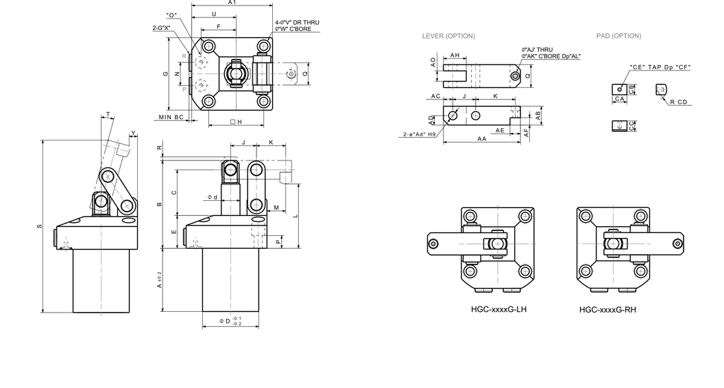
- G Type
MODEL NO 주문 Download Dimensions(mm)
2D 3D PDF A A1 B C øD ød E F G H J K L M N O P Q R S T U V W X Y AA AB AC AD Ad AE AF AH AJ AK AL AO BC CA CB CC CD CE CF
HGC-2502G 54 69 75 39 48 16 28 30 62 47 22 33 55 24 24 P7 14 19 2 155 15.2° 38 7 11 G1/8 4.6 68 16 8 8 8 10 6 20 4.5 8 4.4 9 3.4 14 10 10 10 M4 6
HGC-2502G-LH 54 69 75 39 48 16 28 30 62 47 22 33 55 24 24 P7 14 19 2 155 15.2° 38 7 11 G1/8 4.6 68 16 8 8 8 10 6 20 4.5 8 4.4 9 3.4 14 10 10 10 M4 6
HGC-2502G-RH 54 69 75 39 48 16 28 30 62 47 22 33 55 24 24 P7 14 19 2 155 15.2° 38 7 11 G1/8 4.6 68 16 8 8 8 10 6 20 4.5 8 4.4 9 3.4 14 10 10 10 M4 6
HGC-3203G 54 83 80 42.5 55 18 27.5 35 72 55 22 38 58 24 26 P10 13.5 22 2 163 13.0° 47 9 14 G1/8 10.5 74 18 9 9 8 10 7 22 4.5 8 4.4 10 3.4 14 10 10 10 M4 6
HGC-3203G-LH 54 83 80 42.5 55 18 27.5 35 72 55 22 38 58 24 26 P10 13.5 22 2 163 13.0° 47 9 14 G1/8 10.5 74 18 9 9 8 10 7 22 4.5 8 4.4 10 3.4 14 10 10 10 M4 6
HGC-3203G-RH 54 83 80 42.5 55 18 27.5 35 72 55 22 38 58 24 26 P10 13.5 22 2 163 13.0° 47 9 14 G1/8 10.5 74 18 9 9 8 10 7 22 4.5 8 4.4 10 3.4 14 10 10 10 M4 6
HGC-4005G 60 92 90 47.5 65 25 29.0 40 80 63 26 42 63 28 31 P10 15 25 2 180.4 14.3° 52 9 14 G1/4 9.4 85 22 11 11 10 12 9 26 6 9.5 6 12 3.4 16 12 12 10 M5 6
HGC-4005G-LH 60 92 90 47.5 65 25 29.0 40 80 63 26 42 63 28 31 P10 15 25 2 180.4 14.3° 52 9 14 G1/4 9.4 85 22 11 11 10 12 9 26 6 9.5 6 12 3.4 16 12 12 10 M5 6
HGC-4005G-RH 60 92 90 47.5 65 25 29.0 40 80 63 26 42 63 28 31 P10 15 25 2 180.4 14.3° 52 9 14 G1/4 9.4 85 22 11 11 10 12 9 26 6 9.5 6 12 3.4 16 12 12 10 M5 6
HGC-5009G 78 104 108 57.5 80 30 34.5 48 88 70 32 47 76 35 33 P10 17.5 32 4 220 14.3° 60 9 14 G3/8 8.5 100 26 13 13 12 16 10 32 6.6 11 7 16 3.4 20 16 13 15 M6 7
HGC-5009G-LH 78 104 108 57.5 80 30 34.5 48 88 70 32 47 76 35 33 P10 17.5 32 4 220 14.3° 60 9 14 G3/8 8.5 100 26 13 13 12 16 10 32 6.6 11 7 16 3.4 20 16 13 15 M6 7
HGC-5009G-RH 78 104 108 57.5 80 30 34.5 48 88 70 32 47 76 35 33 P10 17.5 32 4 220 14.3° 60 9 14 G3/8 8.5 100 26 13 13 12 16 10 32 6.6 11 7 16 3.4 20 16 13 15 M6 7
HGC-6315G 89 121 127 71 95 35.5 36 55 108 85 38 53 85 37 39 P10 16 40 4 252 14.0° 67 11 17.5 G1/4 10 118 34 17 17 16 20 13 40 9 14 8.6 20 3.4 25 20 18 20 M8 9
HGC-6315G-LH 89 121 127 71 95 35.5 36 55 108 85 38 53 85 37 39 P10 16 40 4 252 14.0° 67 11 17.5 G1/4 10 118 34 17 17 16 20 13 40 9 14 8.6 20 3.4 25 20 18 20 M8 9
HGC-6315G-RH 89 121 127 71 95 35.5 36 55 108 85 38 53 85 37 39 P10 16 40 4 252 14.0° 67 11 17.5 G1/4 10 118 34 17 17 16 20 13 40 9 14 8.6 20 3.4 25 20 18 20 M8 9
HGC-8023G 100 148.5 158 86 115 45 48 70 125 100 46 69 108 52.5 46 P10 23 44 4 306 13.7° 86 14 20 G3/8 9.1 147 40 20 20 18 24 16 46 11 17.5 11 24 6 28 24 22 25 M10 12
HGC-8023G-LH 100 148.5 158 86 115 45 48 70 125 100 46 69 108 52.5 46 P10 23 44 4 306 13.7° 86 14 20 G3/8 9.1 147 40 20 20 18 24 16 46 11 17.5 11 24 6 28 24 22 25 M10 12
HGC-8023G-RH 100 148.5 158 86 115 45 48 70 125 100 46 69 108 52.5 46 P10 23 44 4 306 13.7° 86 14 20 G3/8 9.1 147 40 20 20 18 24 16 46 11 17.5 11 24 6 28 24 22 25 M10 12
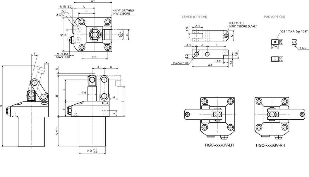
- GV Type
MODEL NO 주문 Download Dimensions(mm)
2D 3D PDF A A1 B C øD ød E F G H J K L M N O P Q R S T U V W X Y AA AB AC AD Ad AE AF AH AJ AK AL AO BA BB BC CA CB CC CD CE CF
HGC-2502GV 54 69 75 39 48 16 28 30 62 47 22 33 55 24 24 P7 14 19 2 155 15.2° 38 7 11 G3/8 4.6 68 16 8 8 8 10 6 20 4.5 8 4.4 9 7 11 3.4 14 10 10 10 M4 6
HGC-2502GV-LH 54 69 75 39 48 16 28 30 62 47 22 33 55 24 24 P7 14 19 2 155 15.2° 38 7 11 G1/8 4.6 68 16 8 8 8 10 6 20 4.5 8 4.4 9 7 11 3.4 14 10 10 10 M4 6
HGC-2502GV-RH 54 69 75 39 48 16 28 30 62 47 22 33 55 24 24 P7 14 19 2 155 15.2° 38 7 11 G1/8 4.6 68 16 8 8 8 10 6 20 4.5 8 4.4 9 7 11 3.4 14 10 10 10 M4 6
HGC-3203GV 54 83 80 42.5 55 18 27.5 35 72 55 22 38 58 24 26 P10 13.5 22 2 163 13.0° 47 9 14 G1/8 10.5 74 18 9 9 8 10 7 22 4.5 8 4.4 10 7 11 3.4 14 10 10 10 M4 6
HGC-3203GV-LH 54 83 80 42.5 55 18 27.5 35 72 55 22 38 58 24 26 P10 13.5 22 2 163 13.0° 47 9 14 G1/8 10.5 74 18 9 9 8 10 7 22 4.5 8 4.4 10 7 11 3.4 14 10 10 10 M4 6
HGC-3203GV-RH 54 83 80 42.5 55 18 27.5 35 72 55 22 38 58 24 26 P10 13.5 22 2 163 13.0° 47 9 14 G1/8 10.5 74 18 9 9 8 10 7 22 4.5 8 4.4 10 7 11 3.4 14 10 10 10 M4 6
HGC-4005GV 60 92 90 47.5 65 25 29.0 40 80 63 26 42 63 28 31 P10 15 25 2 180.4 14.3° 52 9 14 G1/4 9.4 85 22 11 11 10 12 9 26 6 9.5 6 12 10.5 14.5 3.4 16 12 12 10 M5 6
HGC-4005GV-LH 60 92 90 47.5 65 25 29.0 40 80 63 26 42 63 28 31 P10 15 25 2 180.4 14.3° 52 9 14 G1/4 9.4 85 22 11 11 10 12 9 26 6 9.5 6 12 10.5 14.5 3.4 16 12 12 10 M5 6
HGC-4005GV-RH 60 92 90 47.5 65 25 29.0 40 80 63 26 42 63 28 31 P10 15 25 2 180.4 14.3° 52 9 14 G1/4 9.4 85 22 11 11 10 12 9 26 6 9.5 6 12 10.5 14.5 3.4 16 12 12 10 M5 6
HGC-5009GV 78 104 108 57.5 80 30 34.5 48 88 70 32 47 76 35 33 P10 17.5 32 4 220 14.3° 60 9 14 G3/8 8.5 100 26 13 13 12 16 10 32 6.6 11 7 16 10.5 14.5 3.4 20 16 13 15 M6 7
HGC-5009GV-LH 78 104 108 57.5 80 30 34.5 48 88 70 32 47 76 35 33 P10 17.5 32 4 220 14.3° 60 9 14 G3/8 8.5 100 26 13 13 12 16 10 32 6.6 11 7 16 10.5 14.5 3.4 20 16 13 15 M6 7
HGC-5009GV-RH 78 104 108 57.5 80 30 34.5 48 88 70 32 47 76 35 33 P10 17.5 32 4 220 14.3° 60 9 14 G3/8 8.5 100 26 13 13 12 16 10 32 6.6 11 7 16 10.5 14.5 3.4 20 16 13 15 M6 7
HGC-6315GV 89 121 127 71 95 35.5 36 55 108 85 38 53 85 37 39 P10 16 40 4 252 14.0° 67 11 17.5 G3/8 10 118 34 17 17 16 20 13 40 9 14 8.6 20 10.5 14.5 3.4 25 20 18 20 M8 9
HGC-6315GV-LH 89 121 127 71 95 35.5 36 55 108 85 38 53 85 37 39 P10 16 40 4 252 14.0° 67 11 17.5 G3/8 10 118 34 17 17 16 20 13 40 9 14 8.6 20 10.5 14.5 3.4 25 20 18 20 M8 9
HGC-6315GV-RH 89 121 127 71 95 35.5 36 55 108 85 38 53 85 37 39 P10 16 40 4 252 14.0° 67 11 17.5 G3/8 10 118 34 17 17 16 20 13 40 9 14 8.6 20 10.5 14.5 3.4 25 20 18 20 M8 9
HGC-8023GV 100 148.5 158 86 115 45 48 70 125 100 46 69 108 52.5 46 P10 23 44 4 306 13.7° 86 14 20 G3/8 9.1 147 40 20 20 18 24 16 46 11 17.5 11 24 10.5 14.5 6 28 24 22 25 M10 12
HGC-8023GV-LH 100 148.5 158 86 115 45 48 70 125 100 46 69 108 52.5 46 P10 23 44 4 306 13.7° 86 14 20 G3/8 9.1 147 40 20 20 18 24 16 46 11 17.5 11 24 10.5 14.5 6 28 24 22 25 M10 12
HGC-8023GV-RH 100 148.5 158 86 115 45 48 70 125 100 46 69 108 52.5 46 P10 23 44 4 306 13.7° 86 14 20 G3/8 9.1 147 40 20 20 18 24 16 46 11 17.5 11 24 10.5 14.5 6 28 24 22 25 M10 12
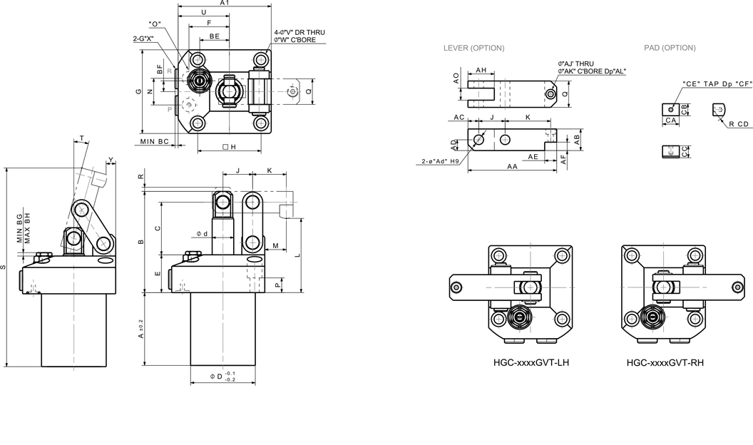
- GVT Type
MODEL NO 주문 Download Dimensions(mm)
2D 3D PDF A A1 B C øD ød E F G H J K L M N O P Q R S T U V W X Y AA AB AC AD Ad AE AF AH AJ AK AL AO BC BE BF BG BH CA CB CC CD CE CF
HGC-2502GVT 54 69 75 39 48 16 28 30 62 47 22 33 55 24 24 P7 14 19 2 155 15.2° 38 7 11 G1/8 4.6 68 16 8 8 8 10 6 20 4.5 8 4.4 9 3.4 22 8 2.5 6.5 14 10 10 10 M4 6
HGC-2502GVT-LH 54 69 75 39 48 16 28 30 62 47 22 33 55 24 24 P7 14 19 2 155 15.2° 38 7 11 G1/8 4.6 68 16 8 8 8 10 6 20 4.5 8 4.4 9 3.4 22 8 2.5 6.5 14 10 10 10 M4 6
HGC-2502GVT-RH 54 69 75 39 48 16 28 30 62 47 22 33 55 24 24 P7 14 19 2 155 15.2° 38 7 11 G1/8 4.6 68 16 8 8 8 10 6 20 4.5 8 4.4 9 3.4 22 8 2.5 6.5 14 10 10 10 M4 6
HGC-3203GVT 54 83 80 42.5 55 18 27.5 35 72 55 22 38 58 24 26 P10 13.5 22 2 163 13.0° 47 9 14 G1/8 10.5 74 18 9 9 8 10 7 22 4.5 8 4.4 10 3.4 27.5 9 4.5 8.5 14 10 10 10 M4 6
HGC-3203GVT-LH 54 83 80 42.5 55 18 27.5 35 72 55 22 38 58 24 26 P10 13.5 22 2 163 13.0° 47 9 14 G1/8 10.5 74 18 9 9 8 10 7 22 4.5 8 4.4 10 3.4 27.5 9 4.5 8.5 14 10 10 10 M4 6
HGC-3203GVT-RH 54 83 80 42.5 55 18 27.5 35 72 55 22 38 58 24 26 P10 13.5 22 2 163 13.0° 47 9 14 G1/8 10.5 74 18 9 9 8 10 7 22 4.5 8 4.4 10 3.4 27.5 9 4.5 8.5 14 10 10 10 M4 6
HGC-4005GVT 60 92 90 47.5 65 25 29.0 40 80 63 26 42 63 28 31 P10 15 25 2 180.4 14.3° 52 9 14 G1/4 9.4 85 22 11 11 10 12 9 26 6 9.5 6 12 3.4 31.5 11 9 13 16 12 12 10 M5 6
HGC-4005GVT-LH 60 92 90 47.5 65 25 29.0 40 80 63 26 42 63 28 31 P10 15 25 2 180.4 14.3° 52 9 14 G1/4 9.4 85 22 11 11 10 12 9 26 6 9.5 6 12 3.4 31.5 11 9 13 16 12 12 10 M5 6
HGC-4005GVT-RH 60 92 90 47.5 65 25 29.0 40 80 63 26 42 63 28 31 P10 15 25 2 180.4 14.3° 52 9 14 G1/4 9.4 85 22 11 11 10 12 9 26 6 9.5 6 12 3.4 31.5 11 9 13 16 12 12 10 M5 6
HGC-5009GVT 78 104 108 57.5 80 30 34.5 48 88 70 32 47 76 35 33 P10 17.5 32 4 220 14.3° 60 9 14 G3/8 8.5 100 26 13 13 12 16 10 32 6.6 11 7 16 3.4 35 15 6 10 20 16 13 15 M6 7
HGC-5009GVT-LH 78 104 108 57.5 80 30 34.5 48 88 70 32 47 76 35 33 P10 17.5 32 4 220 14.3° 60 9 14 G3/8 8.5 100 26 13 13 12 16 10 32 6.6 11 7 16 3.4 35 15 6 10 20 16 13 15 M6 7
HGC-5009GVT-RH 78 104 108 57.5 80 30 34.5 48 88 70 32 47 76 35 33 P10 17.5 32 4 220 14.3° 60 9 14 G3/8 8.5 100 26 13 13 12 16 10 32 6.6 11 7 16 3.4 35 15 6 10 20 16 13 15 M6 7
HGC-6315GVT 89 121 127 71 95 35.5 36 55 108 85 38 53 85 37 39 P10 16 40 4 252 14.0° 67 11 17.5 G3/8 10 118 34 17 17 16 20 13 40 9 14 8.6 20 3.4 42 19.5 6 10 25 20 18 20 M8 9
HGC-6315GVT-LH 89 121 127 71 95 35.5 36 55 108 85 38 53 85 37 39 P10 16 40 4 252 14.0° 67 11 17.5 G3/8 10 118 34 17 17 16 20 13 40 9 14 8.6 20 3.4 42 19.5 6 10 25 20 18 20 M8 9
HGC-6315GVT-RH 89 121 127 71 95 35.5 36 55 108 85 38 53 85 37 39 P10 16 40 4 252 14.0° 67 11 17.5 G3/8 10 118 34 17 17 16 20 13 40 9 14 8.6 20 3.4 42 19.5 6 10 25 20 18 20 M8 9
HGC-8023GVT 100 148.5 158 86 115 45 48 70 125 100 46 69 108 52.5 46 P10 23 44 4 306 13.7° 86 14 20 G3/8 9.1 147 40 20 20 18 24 16 46 11 17.5 11 24 6 46 23 5 9 28 24 22 25 M10 12
HGC-8023GVT-LH 100 148.5 158 86 115 45 48 70 125 100 46 69 108 52.5 46 P10 23 44 4 306 13.7° 86 14 20 G3/8 9.1 147 40 20 20 18 24 16 46 11 17.5 11 24 6 46 23 5 9 28 24 22 25 M10 12
HGC-8023GVT-RH 100 148.5 158 86 115 45 48 70 125 100 46 69 108 52.5 46 P10 23 44 4 306 13.7° 86 14 20 G3/8 9.1 147 40 20 20 18 24 16 46 11 17.5 11 24 6 46 23 5 9 28 24 22 25 M10 12
TOP