KJF

ENG

Push/Pull Double Rod Vertical Type Block Clamp

YOU CAN COUNT ON OUR EXPERTISE

Piping Method
Features
  • 양로드형
  • 복동
  • 다양한 사이즈
  • 내경범위 : ø28~80
  • 작동압력 : 15~250kgf/㎠
  • 피스톤속도 : 8~100mm/s
  • 사용온도 : 0~60℃
Model No.
  • 1
    Clamp Type
    BDV = Block Clamp, Double(Push/Pull)-acting, Vertical type
  • 2
    Piston Diameter
    ex ) 28 = Ø28
  • 3
    Pistion Rod Stroke
    ex ) 15 = 15mm
  • 4
    Type
    D = Double Rod
BLOCK CLAMP DOUBLE ROD VERTICAL TYPE
  • BDV-2815D
  • BDV-3215D
  • BDV-4015D
  • BDV-5015D
  • BDV-6315D
  • BDV-8015D
Specifications
MODEL NO. Max.Clamping Force (Ton) Effective Area (㎠) Oil Capacity (㎤) Weight(kg) Operating Pressure Range Operating Temperature Range
Push Pull Push Pull Push Pull
BDV-2815D 1.02 4.1 6.2 1.7 15~250 kgf/㎠ 0~60℃
BDV-2825D 10.4 1.9
BDV-2850D 20.74 2.7
BDV-3215D 1.37 5.5 8.2 2.0
BDV-3225D 13.7 2.5
BDV-3250D 27.5 3.2
BDV-4015D 2.15 8.6 12.9 2.7
BDV-4025D 21.6 2.9
BDV-4050D 43.1 3.9
BDV-5015D 3.40 13.6 20.2 3.9
BDV-5025D 33.7 4.2
BDV-5050D 67.4 5.3
BDV-6315D 5.32 21.3 31.8 5.7
BDV-6325D 53.2 6.2
BDV-6350D 106.4 7.6
BDV-8015D 8.60 34.4 51.5 12.5
BDV-8025D 85.9 12.6
BDV-8050D 171.8 15.7
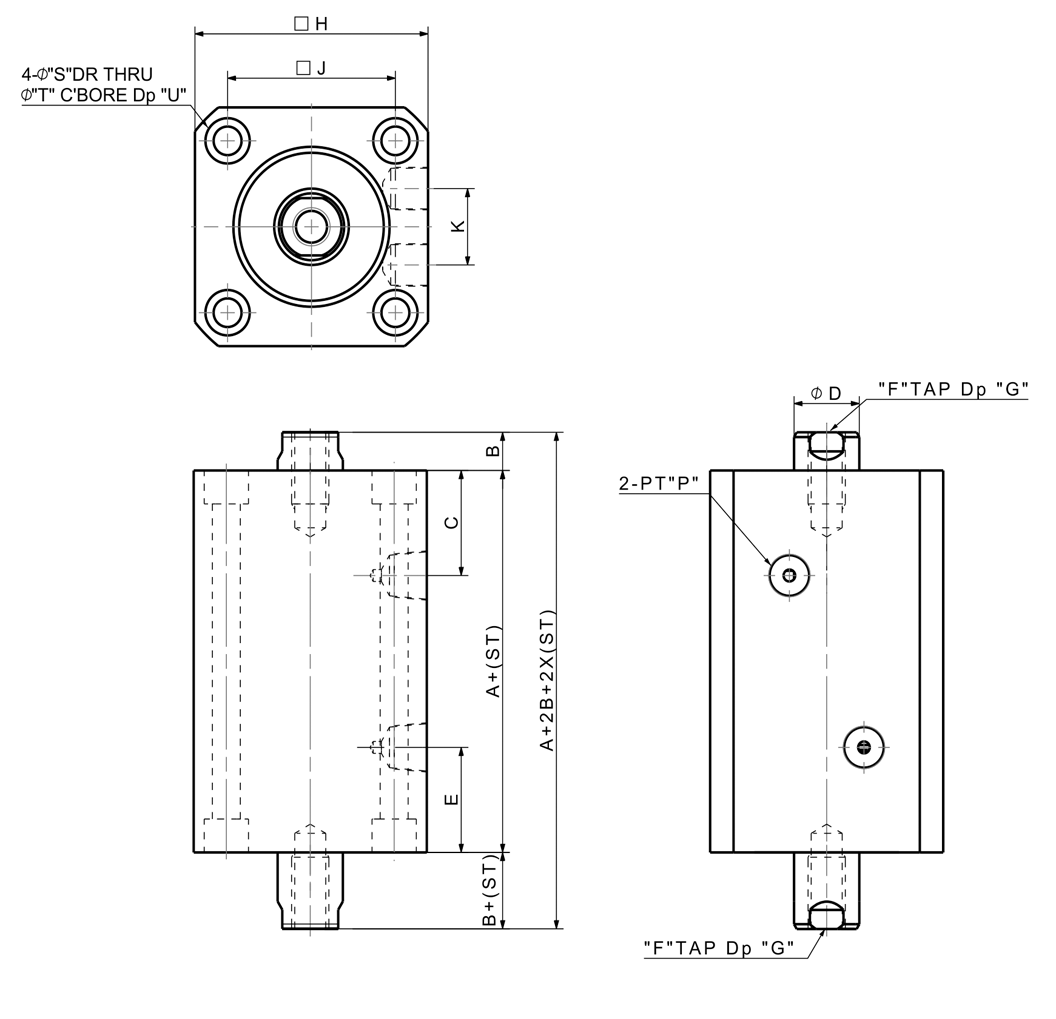
MODEL NO. DIMENSIONS (mm) 주문
A B C øD E F G H J K P øS øT U Piston dia. 2D 3D PDF
BDV-2815D 61 8 23 16 23 M8 x 1.25P 12 56 42 16 1/8 ø5.5 ø9.5 5.5 ø28
BDV-2825D 61 8 23 16 23 M8 x 1.25P 12 56 42 16 1/8 ø5.5 ø9.5 5.5 ø28
BDV-2850D 61 8 23 16 23 M8 x 1.25P 12 56 42 16 1/8 ø5.5 ø9.5 5.5 ø28
BDV-3215D 68 10 26 18 26 M10 x 1.5P 15 62 47 20 1/4 ø6.6 ø11 7 ø32
BDV-3225D 68 10 26 18 26 M10 x 1.5P 15 62 47 20 1/4 ø6.6 ø11 7 ø32
BDV-3250D 68 10 26 18 26 M10 x 1.5P 15 62 47 20 1/4 ø6.6 ø11 7 ø32
BDV-4015D 70 10 27 22.4 27 M12x1.75P 20 70 52 20 1/4 ø9 ø14 9 ø40
BDV-4025D 70 10 27 22.4 27 M12x1.75P 20 70 52 20 1/4 ø9 ø14 9 ø40
BDV-4050D 70 10 27 22.4 27 M12x1.75P 20 70 52 20 1/4 ø9 ø14 9 ø40
BDV-5015D 75 10 29 28 29 M16 x 2.0P 25 80 58 20 1/4 ø11 ø17.5 11 ø50
BDV-5025D 75 10 29 28 29 M16 x 2.0P 25 80 58 20 1/4 ø11 ø17.5 11 ø50
BDV-5050D 75 10 29 28 29 M16 x 2.0P 25 80 58 20 1/4 ø11 ø17.5 11 ø50
BDV-6315D 82 13 31.5 35.5 31.5 M20 x 2.5P 33 94 69 20 1/4 ø14 ø20 13 ø63
BDV-6325D 82 13 31.5 35.5 31.5 M20 x 2.5P 33 94 69 20 1/4 ø14 ø20 13 ø63
BDV-6350D 82 13 31.5 35.5 31.5 M20 x 2.5P 33 94 69 20 1/4 ø14 ø20 13 ø63
BDV-8015D 92 17 33 45 33 M24 x 3.0P 33 114 86 30 3/8 ø16 ø23 16 ø80
BDV-8025D 92 17 33 45 33 M24 x 3.0P 33 114 86 30 3/8 ø16 ø23 16 ø80
BDV-8050D 92 17 33 45 33 M24 x 3.0P 33 114 86 30 3/8 ø16 ø23 16 ø80
TOP