KJF

ENG


POWER CLAMP

YOU CAN COUNT ON OUR EXPERTISE

Features
  • 컴팩트한 사이즈
  • 마그네트 내장형
  • 클램프/언클램프 감지 센서 설치 가능
  • 복동으로 작동
  • 공압으로 작동
  • 클램핑 후 홀딩력 발생
  • 내경범위 : ø16~26
  • 작동범위 : 3~9.99kgf/㎠
  • 사용온도 : 0~60℃
  • 클램프암 조립되어 제공
    Application
Model No.
  • 1
    Clamp Type
    PAC = POWER CLAMP
  • 2
    Piston Diameter
    ex ) 16 = Ø16
  • 3
    Cylinder Force
    ex ) 10 = 10kgf/㎠@5bar
  • 4
    Type
    A = Pneumatic (Air)
    E = Sensing
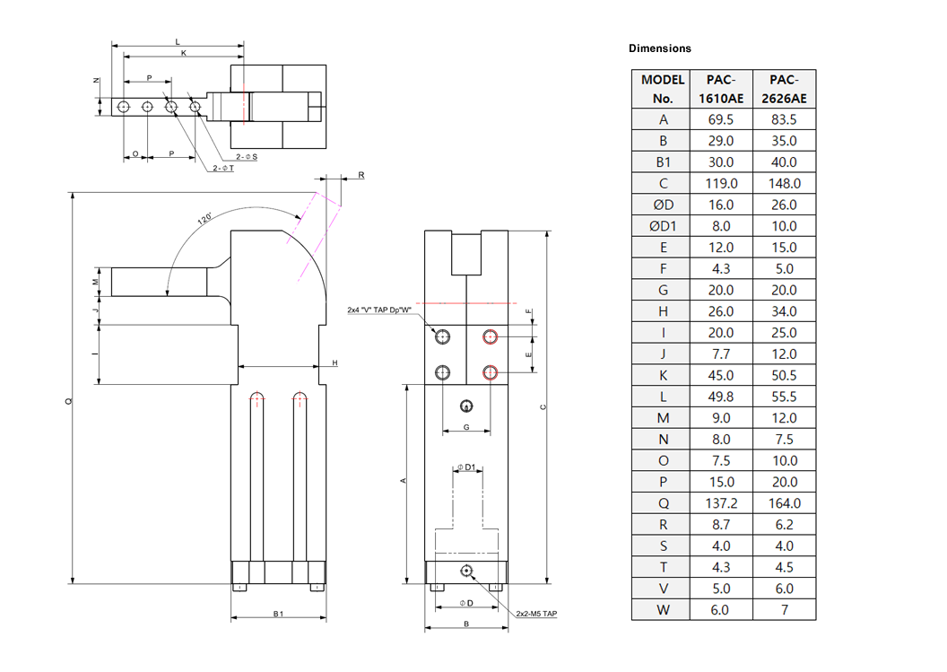
Specifications
Model No. Piston Diameter
(mm)
Max. Clamping Force(kgf)@5bar Max. Holding Torque
(kgf.cm)
Operating
Pressure Range
(kgf/㎠)
Operating
Temperature
Range(℃)
Weight
(kg)
Clamping Point(아래 이미지 참고)
PAC-1610AE 16.0 D: 13/C: 15/B: 18/A: 25kgf 612.0 3~9.99 0~60 0.25
PAC-2626AE 26.0 D: 36/C: 45/B: 60/A: 89kgf 1014.0 0.50
Clamping Point
Operation
Drawing
도면 다운로드
MODEL NO Download 주문
2D 3D PDF
PAC-1610AE
PAC-2626AE
TOP