제품
2차전지 대응제품
토글클램프
COMPACT
STAINLESS
LOCK
VERTICAL
HORIZONTAL
PUSH / PULL
LATCH
HEAVY DUTY WELDABLE
PNEUMATIC
SPINDLE & WASHER
유압클램프
LOCATORS
AUTO COUPLERS
MULTI-LINK CLAMPS
HINGE CLAMPS
SWING CLAMPS
BLOCK CLAMPS
BUILT-IN CLAMPS
FLANGE CLAMPS
THREADED BODY CLAMPS
HOLLOW CLAMPS
ROCKER CLAMPS
EDGE CLAMPS
VISE CLAMPS
공압클램프
POWER CLAMP
BALL LOCK CLAMPS
LOCATORS
AUTO COUPLERS
MAGNETIC SENSOR CLAMPS
MULTI-LINK CLAMPS
HINGE CLAMPS
SWING CLAMPS
PNEUMATIC TOGGLE CLAMPS
로터리조인트
FLANGE TYPE
CARTRIDGE TYPE
COMPACT TYPE
TOP TYPE
MALE TYPE
DISTRIBUTORS VALVE
워크써포트
BUILT-IN
FLANGE
BRACKET
BLOCK
기타
BOOSTER
INTENSIFIER
SEQUENCE VALVE
FLOW CONTROL VALVE
DIRECTION VALVE
SWIVEL PAD
TUNGSTEN CARBIDE GRIPPER PAD
MOUNTING BASE
SPECIAL DESIGN
5축바이스
회사소개
인사말
연혁
경영이념
조직도
장비시설
인증서
오시는 길
국내
해외
한국치공구공업(주)
다운로드
카달로그
도면
기술자료
견적/주문
&
문의
견적 / 주문
연락처
Q&A
NEWS
ENG
제품
회사소개
다운로드
고객문의
&
NEWS
토글클램프
유압클램프
공압클램프
로터리조인트
워크써포트
기타
5축바이스
MANUAL
WORK SUPPORT
YOU CAN COUNT ON OUR EXPERTISE
Features
수동으로 작동
컴팩트한 사이즈
스크류볼트로 서포트 위치고정
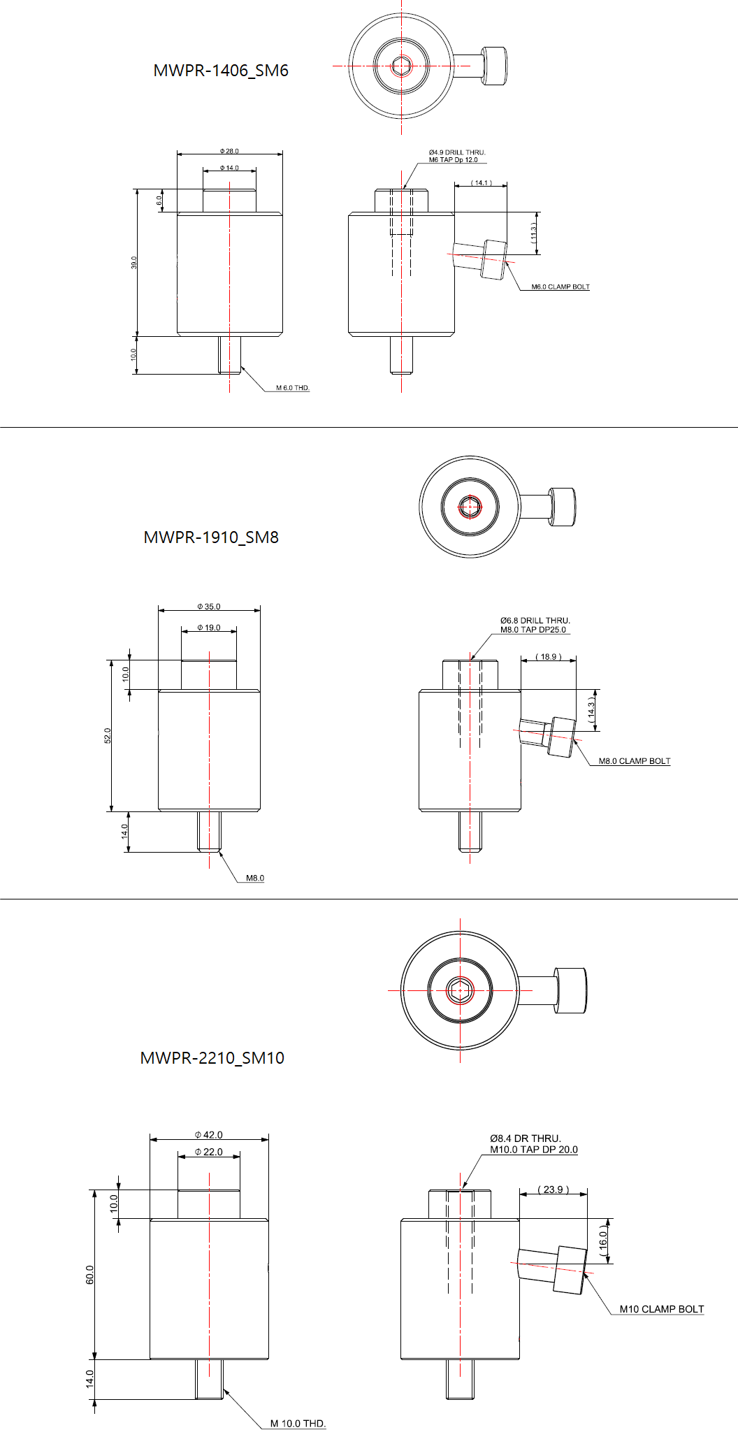
베이스 고정용 볼트: M6/M8/M10
스프링에 의한 리턴
서포트력 : 400~760kgf
Operation
Specifications
Model No.
서포트력(kgf)
스프링력(kgf)
허용스크류토크(kgf.cm)
중량(g)
MWPR-1406_SM6
400
1~2.2
76.5
150
MWPR-1910_SM8
600
1~2.7
140
360
MWPR-2210_SM10
750
1.4~2.8
180
530
Drawing
도면 다운로드
MODEL NO
Download
주문
2D
3D
PDF
MWPR-1406_SM6
MWPR-1910_SM8
MWPR-2210_SM10
TOP